Table des matières
Que sont les pinces d'échappement en U-Bolt
Types et matériaux communs
Comment mesurer la taille de U Plamp avant d'acheter
Comment installer et utiliser des pinces d'échappement en U-boulange
À quel point les pinces U-Bolt devraient-elles être serrées sur des tuyaux d'échappement?
Les pinces U-Bolt peuvent-elles arrêter les fuites d'échappement?
Les pinces U-Bolt sont-elles réutilisables?
Craignes en U-Bolt par rapport aux autres types de pinces
Applications dans les paramètres automobiles et industriels
Commande en vrac: ce que les acheteurs devraient considérer
Réflexions finales
Que sont les pinces d'échappement en U-Bolt
Lorsque vous travaillez avec des systèmes d'échappement, l'un des composants les plus simples mais les plus importants que vous rencontrerez est le pince d'échappement en U-boul . La conception est simple: un boulon en forme de U, une selle et deux écrous. Pourtant, cette petite partie joue un rôle clé pour garder les tuyaux connectés, scellés et sécurisés.

Dans les véhicules, les tuyaux d'échappement sont constamment exposés à la chaleur, aux vibrations et à l'expansion. Sans connexion fiable, les tuyaux se détendent, les fuites se développent et les performances souffrent. C'est pourquoi la pince en U-Bolt est encore largement utilisée dans les voitures de tourisme, les camions, les bus, les motos, les machines agricoles et même les générateurs stationnaires.
Bien que d'autres conceptions de pinces soient apparues au fil des ans, les pinces U-Bolt restent populaires parce qu'elles sont rentables, faciles à utiliser et se sont avérées durer.
Types et matériaux communs
Tous les pinces d'échappement en U-Bolt ne sont pas construites de la même manière. Selon où et comment vous les utilisez, vous devrez choisir le bon matériau et la bonne résistance.
Craignes en acier en zinc : ce sont le type le plus courant, abordable et suffisant pour de nombreuses réparations quotidiennes. Le placage offre une résistance à la corrosion de base.
Crampes en u-boulons en acier inoxydable : plus durables, conçues pour des échappements hautes performances ou des environnements durs. Ils résistent à la rouille, ce qui est important si vous êtes dans des régions avec des routes salées ou des climats humides.
Cradions renforcés en service lourd : fabriqués en acier plus épais, conçu pour les camions, les bus et les systèmes d'échappement industriels où les vibrations sont plus intenses.
Pour les distributeurs et les mécanismes, la compréhension de ces différences vous aide à recommander le bon pince à vos clients. Pour les acheteurs en vrac, le choix du matériel correct réduit également les réclamations de garantie et augmente la satisfaction du client.
Acier de zinc
Acier inoxydable

Acier plus épais
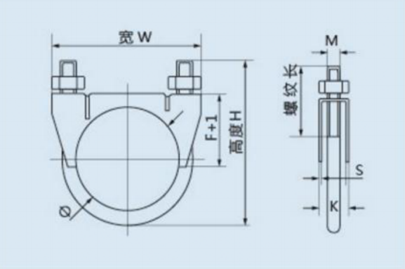
Comment mesurer la taille de U Plamp avant d'acheter
L'une des questions de recherche les plus courantes est la suivante: comment mesurer la taille de U Plamp? Le processus est simple, mais c'est aussi l'une des causes les plus fréquentes d'erreur d'ordre.
Vous devez toujours mesurer le diamètre extérieur (OD) de votre tuyau d'échappement , pas l'intérieur. Si votre tuyau mesure 2,5 pouces de DO, vous avez besoin d'un pince en U 2,5 pouces. Une question fréquente de PAA est: de quelle taille de pince en U-boulange ai-je besoin pour un tuyau d'échappement de 2,5 pouces? —Et la réponse est simple: une pince de 2,5 pouces.
Un autre détail qui mérite d'être vérifié est la taille du fil des boulons. Alors que le diamètre du tuyau décide de la taille de la pince, le diamètre du filetage et la hauteur déterminent si vos outils fonctionneront efficacement pendant l'installation. Pour les ateliers qui basculent entre la métrique et l'impérial, le maintien d'un tableau de conversion évite la confusion.

Boult U-boulange
| Type de paramètre technique | Taille Ø | Hauteur H | Largeur W | Longueur du filetage L | F | M | K | S |
A
| 36 | 63 | 63 | 25 | 28.5 | M8 | 15 | 2 |
| 38 | 64 | 64 | 25 | 29 | M8 | 15 | 2 |
| 42 | 65 | 70 | 25 | 31 | M8 | 15 | 2 |
| 45 | 73 | 73 | 30 | 33 | M8 | 15 | 2 |
| 48 | 77 | 76 | 30 | 34 | M8 | 15 | 2 |
| 50 | 79 | 78 | 30 | 36 | M8 | 15 | 2 |
| 54 | 83 | 82 | 30 | 37 | M8 | 15 | 2 |
| 58 | 87 | 86 | 30 | 40 | M8 | 15 | 2 |
| 63.5 | 75 | 92 | 30 | 43 | M8 | 15 | 2 |
| 65 | 94 | 93 | 30 | 44 | M8 | 15 | 2 |
| 70 | 95 | 100 | 40 | 43 | M8 | 15 | 2 |
| 73 | 110 | 102 | 40 | 43 | M8 | 15 | 2 |
B
| 54 | 89 | 87 | 40 | 32 | M10 | 17 | 3 |
| 94 | 128 | 128 | 45 | 60 | M10 | 21 | 3 |
| 106 | 150 | 138 | 45 | 65 | M10 | 21 | 3 |
Plus de taille et de matériel peuvent être fournis selon les exigences des clients. Au-dessus des données juste pour référence.
Comment installer et utiliser des pinces d'échappement en U-boulange
De nombreux acheteurs demandent également: comment installer des pinces d'échappement en U-Bolt? Et comment utiliser correctement les pinces en U-Bolt?
Le processus d'installation n'est pas compliqué, mais quelques détails font toute la différence:
Faites glisser la pince sur le joint de tuyau avant le resserrement.
Positionnez la selle uniformément sur l'articulation.
Serrez progressivement les deux noix , en alternant les côtés pour maintenir le niveau de la pince.
Vérifiez les fuites une fois le moteur fonctionnant.
À quel point les pinces U-Bolt devraient-elles être serrées sur des tuyaux d'échappement?
Vous devez resserrer jusqu'à ce que le joint soit sécurisé mais pas écrasé. La surchauffe peut déformer le tuyau, restreindre l'écoulement ou même provoquer des fissures. Une bonne règle consiste à s'arrêter une fois que la pince se sent bien et que le tuyau ne se déplace plus.
Les pinces U-Bolt peuvent-elles arrêter les fuites d'échappement?
Oui, ils peuvent sceller les fuites mineures si elles sont installées correctement. Cependant, si le tuyau est gravement corrodé ou mal aligné, la pince à elle seule ne résoudra pas le problème - vous pourrez peut-être remplacer le tuyau ou utiliser une pince à bande pour un joint plus propre.
Les pinces U-Bolt sont-elles réutilisables?
Il s'agit d'une autre question fréquente d'acheteur. En théorie, vous pouvez les réutiliser si la pince n'est pas déformée ou rouillée. Dans la pratique, il est préférable d'utiliser de nouvelles pinces lors de la réinstallation des tuyaux d'échappement, en particulier dans un atelier professionnel. Ils sont peu coûteux et de nouvelles pinces garantissent une prise plus forte.
Craignes en U-Bolt par rapport aux autres types de pinces
Les acheteurs comparent souvent des pinces en U-boulange avec d'autres options et demandent: quelle est la différence entre une pince en boulon en U et une pince à bande?
Cradions en U-boulange : faible coût, poignée forte, largement disponible. Ils peuvent légèrement serrer le tuyau, ce qui est bien pour les réparations standard.
Craignes de bande : fournissez un sceau plus lisse sans déformer le tuyau. Souvent utilisé lorsqu'un joint propre est important, comme dans les installations d'échappement du marché secondaire.
Crampes en bande V : option haut de gamme, souvent trouvée dans les véhicules de performance. Ils permettent un démontage rapide mais viennent à un coût plus élevé.
Si vous organisez un atelier ou la distribution de pièces pour les véhicules de tous les jours, les pinces en U-Bolt sont généralement le choix le plus pratique. Les pinces de bande et de bande en V sont mieux adaptées aux applications spécialisées.
Pince de bande d'échappement
Clamp de bande V
Applications dans les paramètres automobiles et industriels
Alors que la plupart des gens associent des pinces en U-boulons aux systèmes d'échappement de la voiture, ils sont également courants dans d'autres industries.
Cartes de tourisme et camions : utilisés dans les connexions d'échappement d'origine et les remplacements de rechange.
Véhicules lourds : camions, bus et machines agricoles où les vibrations et la charge sont plus élevées.
Générateurs et moteurs industriels : systèmes d'échappement stationnaires qui nécessitent des articulations sécurisées.
Équipement de construction : Bulldozers, excavateurs et autres machines qui fonctionnent dans des environnements poussiéreux et à vibration élevée.
En raison de cette polyvalence, les pinces en U-Bolt sont toujours en demande - non seulement pour les réparations de voitures de bricolage, mais aussi pour les distributeurs desservant plusieurs industries.
Commande en vrac: ce que les acheteurs devraient considérer
Si vous êtes un distributeur, un fournisseur de garage ou un grossiste, l'achat de pinces d'échappement en U-Bolt en vrac nécessite plus que le simple choix de la bonne taille. Vous voudrez également considérer:

Emballage - boîte en boîte, en vrac ou en sac individuellement en fonction de votre modèle de vente.
Personnalisation - selles plus épaisses, boulons étendus ou image de marque est-ce que vous voulez une différenciation sur votre marché local.
Nous voyons souvent des commandes répétées des distributeurs qui ont d'abord testé de petits lots et se sont ensuite étendus à des solutions personnalisées. En traitant directement un fabricant, vous pouvez aligner la production avec vos besoins de marché.
Réflexions finales
Alors, les pinces d'échappement en U-Bolt sont-elles toujours pertinentes sur le marché actuel? La réponse est oui. Ils restent l'une des solutions les plus rentables et les plus fiables pour connecter les tuyaux d'échappement.
Si vous savez comment mesurer la taille de U Camp , comprenez comment les installer et les utiliser correctement , et choisissez le bon matériau, ces pinces serviront bien vos clients. Pour les acheteurs en vrac, travailler directement avec une usine garantit une offre cohérente, un contrôle de la qualité et l'option de demander des spécifications personnalisées.
Si vous envisagez des commandes en vrac, jetez un œil à nos pinces d'échappement en U-Bolt, explorez notre collection plus large de serreaux d'échappement ou visitez notre page d'accueil d'usine pour discuter des options d'approvisionnement sur mesure pour votre entreprise.